全国2008年10月高等教育自学考试非线性电子电路
编辑整理:四川自考网 发表时间:2018-05-24 07:04:52 字体:【大 中 小】
【学历咨询】
《自考视频课程》名师讲解,轻松易懂,助您轻松上岸!低至199元/科!
课程代码:02342
一、单项选择题(本大题共10小题,每小题2分,共20分)
在每小题列出的四个备选项中只有一个是符合题目要求的,请将其代码填写在题后的括号内.错选、多选或未选均无分.
1.噪声系数是衡量电路或系统内部噪声大小的重要参数,其定义为( )
A.输入端的信号噪声电压比与输出端的信号噪声电压比的比值
B.输出端的信号噪声电压比与输入端的信号噪声电压比的比值
C.输入端的信号噪声功率比与输出端的信号噪声功率比的比值
D.输出端的信号噪声功率比与输入端的信号噪声功率比的比值
2.彩电和通信设备中使用的集中选频滤波器,要求选频特性好、工作频率较高、性能稳定,温度系数小,大多数采用( )
A.LC滤波器
B.石英晶体滤波器
C.陶瓷滤波器
D.声表面滤波器
3.下列叙述中,不正确的是( )
A.调频波的△ωm与调制信号振幅成正比,与调制信号频率无关
B.调相波的△ωm与调制信号振幅成正比,与调制信号频率成反比
C.调频波的mf与调制信号振幅成正比,与调制信号频率成反比
D.调相波的mp与调制信号振幅成正比,与调制信号频率无关
4.二极管峰值包络检波器中,容易出现惰性失真的情况是( )
A.输入信号的调幅度越大,调制信号频率越高
B.输入信号的调幅度越大,调制信号频率越低
C.输入信号的调幅度越小,调制信号频率越高
D.输入信号的调幅度越小,调制信号频率越低
5.AM信号中,若m=0.5,则含有调制信号信息的功率占总功率的百分比为( )
A.5.5
B.11.1
C.15
D.20
6.若石英晶体谐振器的串联谐振频率为f1、并联谐振频率为f2,则并联型晶体振荡器的工作频率f约为( )
A.f=f1
B.f=f2
C.f1<f<f2
D.f1>f>f2
7.AM信号的调幅度m的意义是( )
A.调幅信号的最小振幅与最大振幅的比值
B.调制信号频率与载波信号频率的比值
C.调制信号振幅与载波信号振幅的比值
D.调幅信号的振幅变化量与载波信号振幅的比值
8.角度调制时,当调制信号幅度不变,调制信号频率升高,则这时调频波和调相波两者带宽的变化是( )
A.两者带宽都基本不变
B.两者带宽都增加
C.调频波带宽基本不变,调相波带宽增加
D.调频波带宽增加,调相波带宽基本不变
9.某调幅广播收音机中频频率为465kHz,当收听720kHz电台信号时,有时还听到1650kHz的干扰信号,该干扰应属于( )
A.中频干扰
B.干扰哨声
C.镜像干扰
D.交叉调制干扰
10.载波为频率20MHz、振幅为4V的正弦波,调制信号为单频正弦波、频率为400Hz,最大频偏为10kHz,试问调频波和调相波数学表达式正确的是( )
A.
B.
C.
D.
二、多项选择题(本大题共5小题,每小题2分,共10分)
在每小题列出的四个备选项中至少有两个是符合题目要求的,请将其代码填写在题后的括号内.错选、多选、少选或未选均无分.
11.反馈型振荡器产生自激振荡的稳定条件是( )
A.
B.

C.
D.
12.反映信息内容的电信号,其表示方法有( )
A.函数表示法
B.波形表示法
C.幂级数表示法
D.频谱表示法
13.电路内部引起电子噪声的来源主要是( )
A.晶体管和场效应管
B.电抗元件
C.电阻元件
D.人为干扰
14.下列电路中,属于频谱线性搬移电路的有( )
A.线性放大电路
B.振幅调制与解调电路
C.频率调制与解调电路
D.混频电路
15.频率合成器的主要技术指标,除频率准确度和频率稳定度外,还有( )
A.频率范围
B.频率分辨率
C.频率转换时间
D.频谱纯度
三、填空题(本大题共5小题,每小题2分,共10分)
请在每小题的空格中填上正确答案.错填、不填均无分.
16.通信系统中广泛应用的调制器、解调器、混频器、功率放大器、正弦波发生器等都是利用__________完成的.
17.晶体管高频功率放大器为了要高效地输出大功率,应选在__________状态下工作,这就要求管子基极偏压使管子工作在__________区,只有输入激励信号电压为大信号时,高频功放才能正常工作.
18.从严格意义上讲,SSB信号是__________信号,而DSB信号是__________信号.
19.频谱的非线性搬移是指输入信号的频谱不仅在频域上发生搬移,而且__________也发生了改变.
20.线性时变电路分析法是非线性电路的重要分析方法,它要求必须有一个输入信号是__________,从而简化了非线性电路的分析,也减少了非线性器件的组合频率分量,完成了频谱搬移功能.
四、简答题(本大题共3小题,每小题4分,共12分)
21.工作在临界状态的某高频谐振功率放大器,负载是并联谐振回路,试问下列两种情况下,高频功放工作状态将怎样变化?输出功率和集电极耗散功率又将怎样变化?
(1)负载突然开路
(2)负载回路失谐
22.简述提高振荡器频率稳定度的主要措施有哪些?
23.同步检波器有哪两种类型?分别画出它们的组成框图,说明其基本原理.这种检波器实现不失真解调的关键是什么?
五、计算题(本大题共5小题,共30分)
24.(5分)鉴频器的输入信号uFM(t)=2sin(ωct+10sin 2×103πt) (V),已知鉴频灵敏度SD=-4mV/kHz,线性范围大于2△fm,求输出电压u0(t).
25.(5分)图1 锁相频率合成器中,fc=10MHz,fL=50MHz,固定分频比M=100,输出频率范围fo=70~80MHz,求:频率分辨率和可变分频比N(BPF为带通滤波器,fL为本振信号频率.)

26.(6分)某一非线性器件的伏安特性为i=a2u2+a3u3式中a2、a3是不为零的常数,电压u是两个频率f1=100Hz、f2=150Hz的正弦波,问电流i中会出现哪些频率分量?
27.(6分)设调频波为幅度为2V的余弦形式,已知其瞬时频率f(t)=5×106+2×104sin 103πt
试求:(1)写出调频波的数学表述式uFM(t)
(2)FM波的中心频率fc和最大频偏△fm为多少?
(3)FM波的频带宽度为多少?
(4)当调制信号振幅不变而频率增大一倍,这时FM波的带宽又为多少?
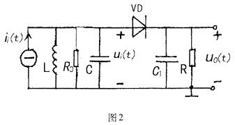
28.(8分)图2 检波电路中,输入回路谐振频率fo=1MHz,回路本身谐振电阻R0=20kΩ,C=100pF,检波负载R=10kΩ,C1=0.01μF,二极管VD为理想二极管.
输入信号ii(t)=0.6(1+0.5cos103πt) cos 2×106πt(mA)
计算:
(1)输入回路无载品质因数Qo和有载品质因数Q;
(2)写出输入电压ui(t)和输出电压uo(t)的表达式;
(3)检验电路能否出现惰性失真.

六、识图与画图题(本大题共3小
[1]
本文标签:四川省自考 历年真题 全国2008年10月高等教育自学考试非线性电子电路
转载请注明:文章转载自(http://www.sczkw.net)
《四川自考报名网》免责声明:
1、由于各方面情况的调整与变化,本网提供的考试信息仅供参考,考试信息以省考试院及院校官方发布的信息为准。
2、本网信息来源为其他媒体的稿件转载,免费转载出于非商业性学习目的,版权归原作者所有,如有内容与版权问题等请与本站联系。联系邮箱:812379481@qq.com。





